Производитель компенсаторов – Дания. Изделие изготовлено из стали высокого качества, может использоваться при температуре 0-1000 0 С, давлении до 100 бар. Спрос на компенсатор «Белман» в Белгороде высок, так как уже доказаны его высокая технологичность, обеспечивающая трубопроводу в месте мягкого стыка качества:
- вязкость;
- гибкость;
- стойкость к коррозии и температурным перепадам;
- герметичность стыка;
- прочностью и долговечностью.
Компенсаторы используются в тепловых сетях в разводке на обогрев высоток. Есть и другие разновидности, выполняющие вибропоглощение, использующиеся в газопроводах.
Достоинства компенсаторов Belman
Основным качеством изделия для любого производства является принцип безотказной работы – «поставил и забыл». Именно такое привлекательное качество позволяет не подходить к компенсатору 30 лет.
Увеличенный срок эксплуатации без расходов на текущее обслуживание предприятию в Белгороде материально выгоден. Компактные размеры узла позволяют установить соединение в недоступном тесном месте.
Трубопровод в месте установки компрессора получает устройство, принимающее линейные изменения труб, предупреждающее их деформацию, отклонение от оси, гашение гидроударов и вибрацию.
При заказе компенсатора «Белман», он доукомплектовывается на заводе стержневыми осями, затяжками, шарнирами, фланцами под требования технологии. Ограничители и кожухи специальной конструкции предотвращают возможные перегрузки, увеличивают срок эксплуатации компенсаторов.
Ответственность продавца
Сильфон выполняется из многослойной нержавеющей стали и проходит гидравлическое испытание у производителя. Вся продукция перед реализацией проверяется на соответствие российским стандартам.
В дефектовке каждого компенсатора «Белман», полученного от производителя для реализации, участвует Лаборатория неразрушающего контроля УЗСК, Отдел технического контроля. На изделия оформляется паспорт с указанием материалов, технологии сварки и результатов исследования.
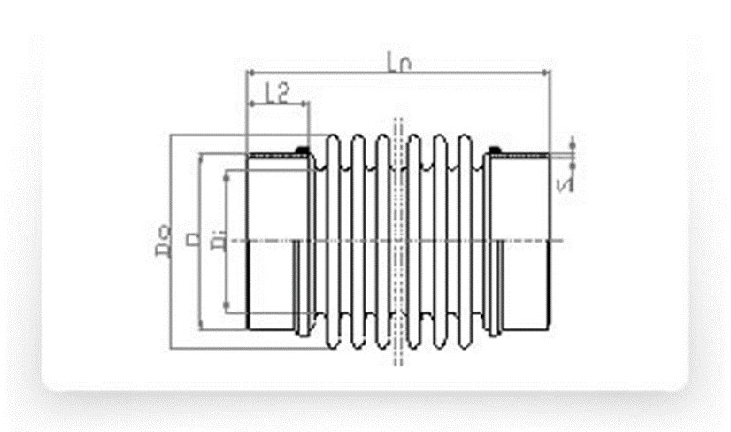
| DN | Маркировка | Коэфф-т жесткости | Осевое удлиннение +/-AX | Эффектив. площадь см2 | Внеш. диаметр мм | Строит. длина мм |
|---|---|---|---|---|---|---|
| 15 | AXYSS 0015-035-6 | 32,4 N/mm2 | 10/35 | 7,0 | 32,0 | 240 |
| 20 | AXYSS 0020-035-6 | 32,4 N/mm2 | 10/35 | 7,0 | 38,0 | 240 |
| 25 | AXYSS 0025-035-6 | 24,3 N/mm2 | 10/35 | 11,2 | 48,3 | 265 |
| 32 | AXYSS 0032-035-6 | 28,3 N/mm2 | 10/35 | 16,7 | 60,3 | 300 |
| 40 | AXYSS 0040-035-6 | 38,4 N/mm2 | 10/35 | 26,5 | 77,0 | 300 |
| 50 | AXYSS 0050-035-6 | 38,4 N/mm2 | 10/35 | 26,5 | 77,0 | 300 |
| 65 | AXYSS 0065-025-6 | 54,7 N/mm2 | 25/25 | 58 | 76,1 | 325 |
| 80 | AXYSS 0080-025-6 | 67,5 N/mm2 | 25/25 | 79 | 88,9 | 330 |
| 100 | AXYSS 0100-025-6 | 97,2 N/mm2 | 25/25 | 128 | 114,3 | 325 |
Заполните форму заказа






